Proizvodnja opreme u naftnoj, kemijskoj industriji, Zaprešić, Zagreb, Hr |
ERMACORA, OBRT ZA ELEKTRO-MEHANIČARSKO-BRAVARSKE RADOVE iz Zaprešića posluje od 1976. godine.
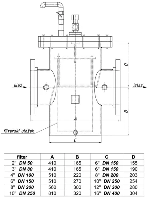
U svojoj se primarnoj djelatnosti bave proizvodnjom opreme u naftnoj, kemijskoj i petrokemijskoj industriji.

ERMACORA, OBRT ZA ELEKTRO-MEHANIČARSKO-BRAVARSKE RADOVE sjedište ima na području Zagrebačke županije, u Zaprešiću, na adresi Nova ulica 14.
Kao svoju primarnu djelatnost ističe proizvodnju opreme u:
U navedenome slijedi visoke standarde, što su već prepoznali i brojni zadovoljni klijenti.
Proizvodnja opreme u naftnoj, kemijskoj industriji usluge su koje pruža OBRT ERMACORA kojem se s povjerenjem možete obratiti.
Za bilo kakve dodatne informacije ili upite obratite se na navedene kontakte.
Ukoliko ste zainteresirani za proizvode i usluge tvrtke, ostavite upit i dobit ćete odgovor u najkraćem mogućem roku. Upit će biti javno vidljiv na portalu.
Lasersko rezanje lima i metala Zagreb, Hrvatska
Svetonedeljska 25A, 10431 Jagnjić Dol
Izrada industrijskih brtvila hidraulika i pneumatika Zagrebačka županija, Hrvatska
Velikogorička 18c, 10419 Staro Čiče
Kvalitetna zaštita metala, pjeskarenje i cinčanje, Samobor
Obrtnička ulica 13, 10431 Sveta Nedelja
Prikupljanje i recikliranje metalnog otpada Zagreb
III. Struge 56, 10000 Zagreb
Ocijeni tvrtku i napiši svoj komentar o suradnji.